Lianyungang Water Meter Co., Ltd
Email: sales@langhua.com
Tel: 0086-518-86097577
Mob/Whatsapp:0086-18795550044
Add: No.16 West Hailian Road,Lianyungang city,Jiangsu province,China
I. overview
Flow sensor is used to generate the flow signal of the heat-carrying liquid in the heat exchange loop, which is a function of the volume or mass of the heat-carrying liquid. It is an important component of heat meter. The structure of the product is advanced and reliable, and the measurement is accurate. All parts of the product are made of heat-resistant and wear-resistant materials, which are durable. The product meets CJ128-2007 calorimeter standard.
The working principle of the flow sensor is that the impeller rotates through the flow of water, and the magnetic steel on the impeller continuously exerts different polarity magnetic field on Wigan, thus periodically inducing positive and negative electric pulse signals in Wigan's induction coil.
II. Technical parameters
Water Temperature: 4 ~95
Pressure Level: MAP16
Pressure loss grade: P25
Environmental Categories: A
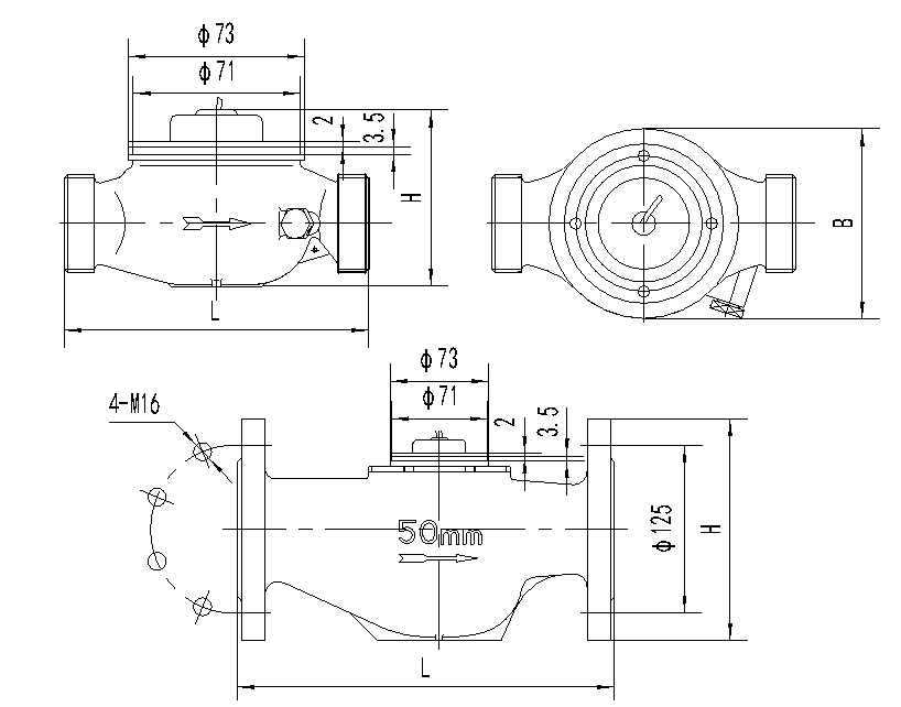
Outline dimensions
