Lianyungang Water Meter Co., Ltd
Email: sales@langhua.com
Tel: 0086-518-86097577
Mob/Whatsapp:0086-18795550044
Add: No.16 West Hailian Road,Lianyungang city,Jiangsu province,China
I. overview
Non-magnetic flow sensor is installed in the heat exchange system, which is used to collect water flow and send out flow signals. It is an important part of the heat meter. The product has advanced and reliable structure, accurate measurement, non-magnetic working mode, strong anti-interference and anti-pollution ability. The parts and components of the products are made of heat-resistant and wear-resistant materials with high mechanical strength and durability. Products with or without valves, valves, modules, no modules for users to choose. The product meets CJ128-2007 calorimeter standard.
The working principle of the flow sensor is to drive the impeller to rotate by water flow. When the special metal sheet on the impeller rotates below the inductance, the signal changes (damped oscillation principle). After the module processing, the high level is output, otherwise the low level is output.
II. Technical parameters
Water Temperature: 4 ~95
Pressure Level: MAP16
Pressure loss grade: P25
Environmental Categories: A
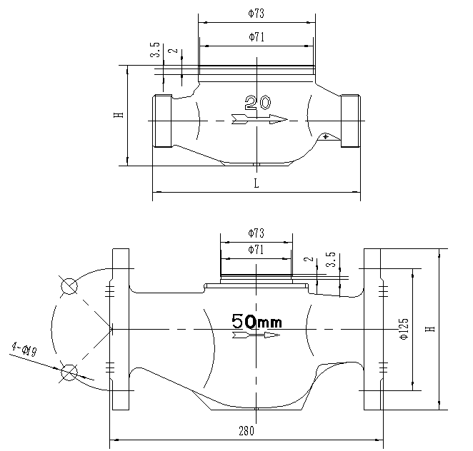
Outline dimensions
